Rastrear o parafuso da cabeça
1.Parafuso de pista de cabeça redonda não padrão
2. Fabricante de foffol, fábrica própria: com vantagem de preço, eliminando a diferença de preço dos intermediários.
3. Adopt o principal aço espessado de alta qualidade da indústria, alta estabilidade e durabilidade duradoura.
4. Supponha a personalização do cliente.
5. Vendas profissionais e serviço pós-venda, bem-vindo a perguntar a qualquer momento.
6. Entregue a tempo.
PARAFUSO DE CABEÇA DE TRABALHA - Essential para construção de pista segura e confiável
Rastrear os parafusos da cabeçasão prendedores especializados projetados especificamente para aplicações de construção ferroviária e de trilhos. Esses parafusos desempenham um papel crítico na manutenção da integridade e estabilidade dos trilhos, garantindo que sejam presos com segurança aos laços de base ou ferrovias subjacentes. ORastrear o parafuso da cabeçaé projetado para desempenho de alta resistência, mesmo sob as condições exigentes de tráfego ferroviário pesado e elementos ambientais severos.
Fotos
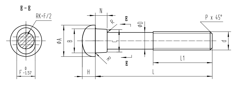
Desenho do produto
Principais recursos deRastrear os parafusos da cabeça
Design de cabeça de faixa exclusiva
O distintoRastrear o parafuso da cabeçaApresenta uma cabeça larga e plana projetada para fornecer uma conexão segura e estável entre o trilho e a gravata ferroviária. A cabeça é moldada para caber confortavelmente na base da pista, oferecendo energia de retenção aprimorada e impedindo o afrouxamento ao longo do tempo.Materiais duráveis para longevidade
Rastrear os parafusos da cabeçasão fabricados a partir de materiais de alta qualidade, como aço carbono ou aço inoxidável, para suportar as condições adversas do transporte ferroviário. Esses parafusos são resistentes à corrosão, desgaste e temperaturas extremas, tornando-as ideais para uso a longo prazo em ambientes externos onde a durabilidade é crucial.Alta capacidade de resistência e carga
Projetado para lidar com tensões mecânicas substanciais,Rastrear os parafusos da cabeçaOfereça excelente força de tração. Isso é especialmente importante na construção da pista, onde os parafusos são expostos a cargas constantes de trens que passam. O design robusto garante que esses parafusos mantenham uma forte espera e resistam à deformação sob peso pesado.Resistência à corrosão para ambientes severos
Rastrear os parafusos da cabeçaestão disponíveis em acabamentos resistentes à corrosão, como galvanizado ou aço inoxidável. Esse recurso é essencial para trilhos ferroviários que enfrentam exposição à umidade, sal e condições climáticas extremas. Os parafusos resistentes à corrosão garantem que a faixa permaneça segura e funcional por períodos mais longos, reduzindo os custos de manutenção.
Benefícios do usoRastrear os parafusos da cabeça
Conexões de faixa segura
O principal benefício deRastrear os parafusos da cabeçaé a capacidade deles de prender com segurança o trilho à base subjacente. Essa forte conexão é vital para impedir o deslocamento da pista e garantir a operação segura dos trens, mesmo sob condições de carga de alta velocidade ou pesadas.Segurança aprimorada
Mantendo a integridade da pista,Rastrear os parafusos da cabeçaAjude a garantir a segurança do transporte ferroviário. Os faixas adequadamente garantidas reduzem o risco de descarrilamentos ou acidentes causados por trilhos soltos ou cravos desiguais.Fácil instalação e manutenção
InstalaçãoRastrear os parafusos da cabeçaé direto, com seu design adaptado para fixação rápida e eficiente usando ferramentas padrão. Além disso, seu design simples permite uma manutenção e substituição fácil quando necessário, garantindo que as empresas ferroviárias possam acompanhar os rastreamentos em condições ideais.Econômico e confiável
Rastrear os parafusos da cabeçanão são apenas econômicos, mas também oferecem confiabilidade a longo prazo. Sua durabilidade e resistência ao desgaste garantem menos substituições e reparos, diminuindo o custo da manutenção da infraestrutura ferroviária.
Aplicações deRastrear os parafusos da cabeça
Construção de trilhas ferroviárias
Rastrear os parafusos da cabeçasão usados principalmente na construção de trilhos de ferrovias, onde são essenciais para conectar os trilhos aos laços ferroviários. Esses parafusos fornecem a propriedade forte e segura necessária para garantir que a pista permaneça estável sob o peso e o movimento dos trens.Rastrear manutenção e atualizações
Além da nova construção de faixas,Rastrear os parafusos da cabeçasão comumente usados na manutenção e atualizações de faixas. Com o tempo, a infraestrutura ferroviária requer manutenção regular, e esses parafusos garantem que os reparos sejam feitos de maneira rápida e eficiente, sem comprometer a segurança da faixa.Sistemas ferroviários pesados
Para sistemas ferroviários de serviço pesado ou de alta velocidade, a força e a confiabilidade deRastrear os parafusos da cabeçasão críticos. Esses parafusos são projetados para lidar com o aumento de tensões e cargas que vêm com trens em movimento rápido ou carregados, garantindo um passeio seguro e suave.Construção de ferrovias de alta velocidade
Rastrear os parafusos da cabeçatambém são usados na construção de trilhos de alta velocidade, onde a precisão e a durabilidade são fundamentais. Esses parafusos mantêm a estabilidade e a segurança dos sistemas ferroviários de alta velocidade, garantindo que os trilhos permaneçam alinhados e adequadamente presos durante as operações.
Por que escolherRastrear os parafusos da cabeça?
Durabilidade incomparável
Quando se trata de rastrear construção e manutenção,Rastrear os parafusos da cabeçase destacam por sua durabilidade. Seu design robusto garante que eles possam suportar as cargas pesadas, vibrações e estressores ambientais comuns nos sistemas ferroviários.Otimizado para segurança da pista
Rastrear os parafusos da cabeçasão projetados para melhorar a segurança das operações ferroviárias. Ao fornecer uma conexão segura e estável entre o trilho e a base, eles ajudam a reduzir os riscos do movimento da pista e garantir a segurança dos operadores de trem e passageiros.Solução eficiente e econômica
Dada a sua natureza duradoura e os requisitos mínimos de manutenção,Rastrear os parafusos da cabeçaForneça uma solução eficiente e econômica para projetos de infraestrutura ferroviária. Sua confiabilidade reduz a necessidade de reparos e substituições frequentes, contribuindo para a economia de custos a longo prazo.
Conclusão: Invista em confiávelRastrear os parafusos da cabeçaPara estabilidade de faixa duradoura
Para uma construção segura, segura e confiável,Rastrear os parafusos da cabeçasão uma melhor opção. Com seu design de alta resistência, resistência à corrosão e fácil instalação, eles oferecem a solução ideal para manter a integridade e a segurança dos trilhos da ferrovia.
Seja para novas pistas, manutenção contínua ou atualizações para sistemas ferroviários de alta velocidade,Rastrear os parafusos da cabeçaForneça a estabilidade e a durabilidade necessárias para manter a infraestrutura ferroviária funcionando com segurança nos próximos anos.





